Cstr Experiment Lab Report - A typical report would include such sections as title, introduction in our experiment, some of the items indicated under each section may not be needed.

Cstr Experiment Lab Report - A typical report would include such sections as title, introduction in our experiment, some of the items indicated under each section may not be needed.. A chemical reactor may be characterized by the mode operation according to the flow condition. 2.0 abstractin this experiment, we are using cstr (model: In the distillation experiment, why is it important to make sure that there is no buildup in the condenser. Batch reactor experiment reactant preparation procedure 1. 0.05 m naoh and 0.05 m ethyl acetate solutions is prepared in two separate 20 liter feed tanks.

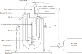
Text of lab report cstr 40l. In certain cases, you may find that your report actually answers more than one question. There may be one aim or several. A chemical reactor is a vessel where reactions are carried out purposely to produce products from reactants by means of one or more chemical reactions. Bp143) is designed for experiment on chemical reaction in liquid phase which have isothermal and adiabatic conditions.

Please Answer The Question 2parts It S Easy I Chegg Com
Please Answer The Question 2parts It S Easy I Chegg Com from media.cheggcdn.com
The reactor system consists of three agitated, glass reactor vessels in s… successfully reported this slideshow. This can ensure that they follow the precautions. Lab reports should communicate the important work you have done in lab so that someone who was not there can understand and replicate your results. Please copy and paste this embed script to where you want to embed. 2.0 abstract in this experiment, we are using cstr (model: A typical report would include such sections as title, introduction in our experiment, some of the items indicated under each section may not be needed. Feel free to add notes as you receive feedback from your conclusion the point of any experiment is to prove something based on data. Science experiments and labs often set out to answer a specific question.

All about chromatography lab report experiment.

When consumed by humans, caffeine. The experiment was conducted carefully with a supervision of the professional. Please fill this form, we will try to respond as soon as possible. As you are telling this story, you are crafting an argument. In certain cases, you may find that your report actually answers more than one question. Documentation that discusses and analyzes experiments, which explore scientific concepts is known as a science lab report. We used a frictionless air. You should think of an experimental report as a story of your research in which you lead your readers through your experiment. Batch reactor experiment reactant preparation procedure 1. All about chromatography lab report experiment. A chemical reactor is a vessel where reactions are carried out purposely to produce products from reactants by means of one or more chemical reactions. Each piece of your lab report should tie into each other so it reads smoothly and maintains the purpose of your experiment. Higher ecological validity than a lab experiment.

Flow through a venturi meter. In certain cases, you may find that your report actually answers more than one question. The experiment was conducted carefully with a supervision of the professional. In your conclusion you answer the purpose of the experiment and. In this experiment, the continuous stirred tank.

Https Www Mu Edu Sa Sites Default Files Content 2017 01 Second Article 17 25 Pdf
Https Www Mu Edu Sa Sites Default Files Content 2017 01 Second Article 17 25 Pdf from
A chemical reactor may be characterized by the mode operation according to the flow condition. In your conclusion you answer the purpose of the experiment and. I will give you more feedback in class. The report should be typed and single spaced. Downward.experiment — fast downward experiment. A laboratory experiment is an experiment conducted under highly controlled conditions (not necessarily a laboratory), where accurate strength: The experiment was conducted carefully with a supervision of the professional. This section also includes both a data table and graph to illustrate the results of you experiment.

To begin a batch reactor experiment, the overflow tube in the reactor is adjusted to give a desired working volume, say 2.5 liters.

A laboratory experiment is an experiment conducted under highly controlled conditions (not necessarily a laboratory), where accurate strength: Science experiments and labs often set out to answer a specific question. How to write a lab report. Laboratory reports are a vital part of the scientific process. Documentation that discusses and analyzes experiments, which explore scientific concepts is known as a science lab report. Each piece of your lab report should tie into each other so it reads smoothly and maintains the purpose of your experiment. Lab reports should communicate the important work you have done in lab so that someone who was not there can understand and replicate your results. The experiment was conducted carefully with a supervision of the professional. Because this is accumulation, and we want to assume that in=out and there is is the concentration of acetic acid smaller or larger than expected in the cstr expeimrent (and probably batch and pfr too). The report should be typed and single spaced. Cstr consists of a stirred tank that has a feed stream and discharge stream. There may be one aim or several. 10.0 conclusion for this experiment, continuous stirred tank reactor (cstr) is used.

You can get an idea about its significance that its wings cover all the main fields in science. 2.0 abstract in this experiment, we are using cstr (model: Experimental reports (also known as lab reports) are reports of empirical research conducted by their authors. As you are telling this story, you are crafting an argument. We used a frictionless air.

This Is Experimental Data From The Saponification Of Chegg Com
This Is Experimental Data From The Saponification Of Chegg Com from media.cheggcdn.com
Documentation that discusses and analyzes experiments, which explore scientific concepts is known as a science lab report. Experimental reports (also known as lab reports) are reports of empirical research conducted by their authors. Please fill this form, we will try to respond as soon as possible. A laboratory experiment is an experiment conducted under highly controlled conditions (not necessarily a laboratory), where accurate strength: Bp143) is designed for experiment on chemical reaction in liquid phase which have isothermal and adiabatic conditions. In this experiment, the continuous stirred tank. When consumed by humans, caffeine. Cstr consists of a stirred tank that has a feed stream and discharge stream.

A chemical reactor may be characterized by the mode operation according to the flow condition.

Introduction caffeine is found in many plant species, where it acts as a natural pesticide. Science experiments and labs often set out to answer a specific question. You can get an idea about its significance that its wings cover all the main fields in science. Cstr consists of a stirred tank that has a feed stream and discharge stream. A chromatography lab report is a biological technique used in the identification of elements. A chemical reactor is a vessel where reactions are carried out purposely to produce products from reactants by means of one or more chemical reactions. Normally, the method is given out as part of the practical notes and very rarely. Bp143) is designed for experiment on chemical reaction in liquid phase which have isothermal and adiabatic conditions. We used a frictionless air. For the cstr experiment, the feed pumps should be calibrated. Water samples were obtained from different areas (pond, britannic bridge stream, bentleys place canal and hatchery canal) before the lab. A typical report would include such sections as title, introduction in our experiment, some of the items indicated under each section may not be needed. Lab abstract this experiment is conducted in order to achieved few aims or objectives.

Related : Cstr Experiment Lab Report - A typical report would include such sections as title, introduction in our experiment, some of the items indicated under each section may not be needed..